+998-78-113-62-18
Телефон для связи:
Электронная почта:

пн.-пт. с 9:00 до 18:00

Судовые штуцеры в Душанбе

Перезвоним за 15 минут

Менеджер отдела продаж

Сергей

Менеджер отдела продаж

Наши преимущества

advantage
Полный цикл сделки
Подберём, укомплектуем и доставим заказ по одной заявке
advantage
Широкий ассортимент
Ходовые товары отгружаем из наличия и под заказ поставляем редкие товары. Весь сортамент сертифицирован
advantage
Гибкие условия сотрудничества
Отсрочки платежей и скидки для постоянных клиентов. Нетиповые заказы и индивидуальные решения — наш конёк
advantage
Обрабатываем и производим на заказ
Тратьте меньше на обработку и логистику, изготавливаем и обрабатываем заготовки в собственных цехах

Наши менеджеры ответят
на все вопросы и помогут быстро
оформить заказ

Вы можете воспользоваться формой обратной связи, приложить документ, изображение чертежей или воспользоваться удобным для вас мессенджером:

Описание

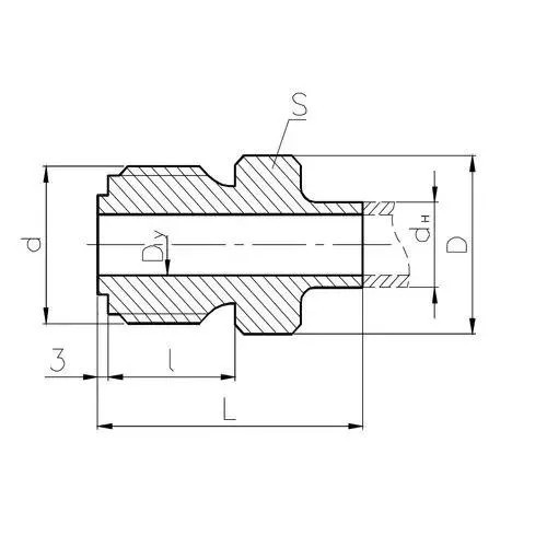
Судовые штуцеры — металлическая деталь, что используется для вентиляции судовых баков. Деталь является элементом вентиляционной системы, которая поддерживает температуру и испарение топлива в баке на нормальном уровне. Штуцер представлен в черном или металлическом цвете, с резьбой на конце. В качестве основы для изготовления судового штуцера используется металлический сплав, который отличается устойчивостью к воздействию агрессивной среды.

Технические характеристики

Штуцеры для организации работы судовой вентиляции производят следующих размеров:

  • Тип 15. Представлен с резьбой в диаметре 3/8. Диаметр части с резьбой – 15 мм. Внутренний диаметр – 11 мм. Высота – 50,2 мм. Масса соответствует 0,03 кг
  • Тип 16 (20). Представлен с резьбой в диаметре 1/2. Диаметр части с резьбой – 16-20 мм. Внутренний диаметр – 11 мм. Высота – 54 мм. Масса соответствует 0,04 кг
  • Тип 20 (25). Представлен с резьбой в диаметре 3/4. Диаметр части с резьбой – 20-25 мм. Внутренний диаметр – 15,5-20 мм. Высота – 60-63 мм. Масса соответствует 0,06-0,09 кг
  • Тип 25 (30). Представлен с резьбой в диаметре 1. Диаметр части с резьбой – 25-30 мм. Внутренний диаметр – 20,5-25 мм. Высота – 67-70 мм. Масса соответствует 0,12-0,14 кг
  • Тип 32 (38). Представлен с резьбой в диаметре 1-1/4. Диаметр части с резьбой – 32-38 мм. Внутренний диаметр – 27-32 мм. Высота – 76-78 мм. Масса соответствует 0,17-0,20 кг
  • Тип 45. Представлен с резьбой в диаметре 1-1/2. Диаметр части с резьбой – 45 мм. Внутренний диаметр – 39 мм. Высота – 86 мм. Масса соответствует 0,25 кг
  • Тип 50. Представлен с резьбой в диаметре 2. Диаметр части с резьбой – 50 мм. Внутренний диаметр – 44 мм. Высота – 98,6 мм. Масса соответствует 0,41 кг

Материалы

Для изготовления судовых штуцеров используют специальные металлы, которые гарантируют степень защиты от агрессивных сред и коррозионных отложений. Судовые штуцеры могут изготавливать из латуни с содержанием цинка до 37%. Также материал производят из специальной морской латуни, которая содержит 37% цинка и около 1% олова. Судовые штуцеры могут быть изготовлены из кремнистой бронзы, которая содержит до 3% кремний и около 1% марганца.

Мы используем файлы cookie
Подробнее